河北太麓电气科技有限公司
TL-XHG消弧消谐及过电压保护装置
    发布时间: 2021-04-19 17:24    

XHG系列消弧、消谐、选线及过电压保护装置适用于3-35kV中心点非有效接地电力系统中,主要起到限制系统弧光过电压、铁磁谐振过电压的作用,可有效提高电网运和的安全性和供电的可靠性。

TL-XHG消弧消谐及过电压保护装置

一、概述

XHG系列消弧、消谐、选线及过电压保护装置适用于3-35kV中心点非有效接地电力系统中,主要起到限制系统弧光过电压、铁磁谐振过电压的作用,可有效提高电网运和的安全性和供电的可靠性。

二、型号定义



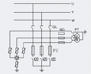
三、原理示意图

四、额定参数:
1
、额定频率(HZ):50
2
、额定电压(KV):6  10  35
3
、额定电流(A):31.5  63  100 160 200


五、使用环境
1、环境温度:-40~+60
2
、海拔高度:<2000m
3
、周围不得有粉尘、煤气、烟气等具有爆炸性混合物。

六、订货须知
1、用户应提供相关的线路额定电压、线路对地电容电流、柜体型号尺寸。
2
、如用户特殊要求应在订货时提出。
3
、需要其它额外附件或备件,应在订货时注明所需的种类及数量。

说明:
1
、装置的额定电压等于线路的额定电压。
2
、装置的额定电流对应的持续电流不小于保护线路的最大地电流。