







概述
在电力系统中,单相接地时,由于故障电流较小,且由于系统三相电压仍然对称不影响正常供电,一般允许继续带故障运行1-2小时。微机小电流接地选线装置,能在系统发生单相接地时,准确、迅速地选出接地线路或母线。使用简单方便,无需维护,可根据用户需要将相关信息通过通信接口传给上级监控系统,适用于无人值守变电站。
功能及特点
Ø 全新的硬件系统,设计采用双CPU结构,程序功能分配更加合理,运行更加稳定。
Ø 单相接地时可选出接地线路或母线。
Ø 综合利用暂态过程的小波分析法及稳态过程的谐波分析法辅以多种选线方案,进一步提高了选线的准确率。
Ø 可选配打印机,能打印故障时的相关信息,便于查看。
Ø 可选配跳闸功能,能设置延时跳闸或不跳闸。
Ø 可选配远动功能,提供继电器节点远动输出信号,继电器节点输出信号的输出方式可以在二进制编码输出、BCD编码输出方式中任意选择。
Ø 故障发生时,能显示故障报告(类型、时间、电压值和频率),并给出报警。
Ø 易于和综合自动化接口。提供RS-485通讯接口,内置3种通讯协议,使用灵活方便。
Ø 人机接口操作简单方便,全中文菜单,显示信息丰富直观。
Ø 现场CT变比、启动电压等可软件设定,现场不需调整。
Ø 保存30条最近发生的故障信息,失电后数据不丢失。
技术参数
环境要求
Ø 户内使用,通风应良好 。
Ø 环境温度:-10℃ ~ +55℃
Ø 相对湿度:小于90%,表面无凝露 。
Ø 大气压力:80 ~ 110Kpa 。
Ø 海拔高度:< 2000m 。
Ø 周围介质无导电尘埃与导致金属或使绝缘损坏的腐蚀性气体、霉菌等。
技术参数
Ø 母线段数:1~4段。
Ø 出线数:≤60,每段母线并联运行出线数不限,可以任意组合。
Ø 接地方式:适用于中性点不接地、消弧线圈接地或电阻接地系统。
Ø 出线方式:电缆或架空线。
Ø 零序电流输入范围:20~1000mA(大于时,订货时须声明)。
Ø 零序电压输入范围:0~120V。
Ø 报警输出触点容量:AC 250V 5A; DC 30V 5A。
Ø 额定工作电压:AC/ DC 220V±20%; DC110V±20% (订货时声明)。
Ø 额定工作频率:50Hz。
Ø 整机功耗:<25W。
Ø 通信接口:RS485波特率1200~9600bps。
Ø 通信规约:内置三种通信规约CM90、CDT、MODBUS。
安装
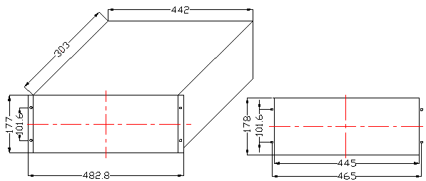
外形尺寸和安装尺寸:
运输及贮存
运输
包装好的产品在运输过程中的贮存温度为-25℃~+55℃,相对湿度不大于95%。产品可承受在此环境中的短时贮存。
贮存
包装好的产品应贮存在-10℃~+55℃、相对湿度不大于80%、周围空气中不含有腐蚀性、火灾及爆炸性物质的室内。
订货须知
Ø 产品型号、名称及订货数量。
Ø 装置的工作电源额定值。
Ø 是否带有通信功能,并指定接口形式。
Ø 其他特殊要求。
本说明书如有更改,请恕不另行通知,以随货说明书为准。
地址:河北省保定市竞秀街295号创业中心D座
办公时间:8.30-17.30(北京时间)
电话:(0312)2025839
邮箱:tailudianqi@126.com