



TL-JX变压器中性点间隙接地保护装置专用于110KV、220KV、330KV、电力变压器中性点,以实现中性点接地或不接地两种不同的运行方式,从而避免变压器中性点因受雷电冲击和故障引起电压升高、对变压器绝缘造成损害。




一、产品用途
TL-JX变压器中性点间隙接地保护装置专用于110KV、220KV、330KV、电力变压器中性点,以实现中性点接地或不接地两种不同的运行方式,从而避免变压器中性点因受雷电冲击和故障引起电压升高、对变压器绝缘造成损害。
二、使用环境条件
1. 安装地点:户外。
2. 产品结构:组合式柱上设备
3. 周围空气温度:
最高温度:+55℃
最低温度:-40℃
最大日温差:25K
日照强度:0.1W/cm2
4. 海拔高度:2000m
5. 最大风速:35m/s
6. 地震烈度: 8度
水平加速度:0.3g
垂直加速度:0.15g
7. 污秽等级: III级(2.8KV/cm)
8. 覆冰厚度: 10mm
四、技术数据
TL-JX型变压器中性点间隙接地保护装置技术数据如下表:
|
产品 型号 |
变压器额 定电 压
kV |
变压器中性点 耐受电压 |
隔离开关 |
氧化锌避雷器 |
放电 间隙 |
电流互感器 |
||||||
|
雷电全波和截波耐受电压 kV (峰值) |
1min 工频 kV (有效值) |
额定电流
A |
操动机构 |
额定 电压 kV (有效值) |
持续运行电压 kV (有效值) |
直流1mA 参考 电压 kV 不小于 |
8/20µs雷电冲击电流残压 kV (峰值) |
工频放电电压 kV ±10% (有效值) |
型式 |
变比 |
||
|
TL-JX-220 |
220 |
400 |
200 |
630 |
CS14G (手动)或 CJ6 (电动) |
144 |
116 |
205 |
320 |
166 |
环氧树脂浇注全封闭支柱式 10kV |
100/5 200/5 300/5 400/5 500/5 600/5 |
|
TL-JX-110 |
110 |
250 |
95 |
630 |
72 |
58 |
103 |
186 |
83 |
|||
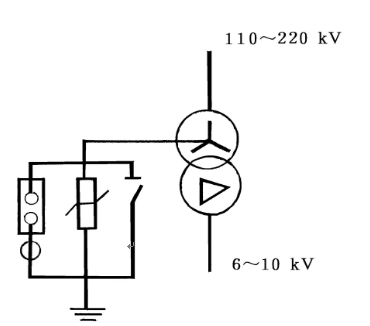
五、原理示意图
地址:河北省保定市竞秀街295号创业中心D座
办公时间:8.30-17.30(北京时间)
电话:(0312)2025839
邮箱:tailudianqi@126.com